行业解决方案
宇泉半导体拥有丰富的碳化硅功率器件产品系列,包括符合AEC-Q101标准的碳化硅(SiC)MOSFET和SBD,以及工业用混合/全碳化硅功率模块,能提供可扩展、高性价比和高能效的解决方案。
电能传输装置
- 应用优势
-
· 具有高时速的开关特性
· 极为方便的控制能力
· 瞬时、高频、低损耗
· 具有高安全性的特性
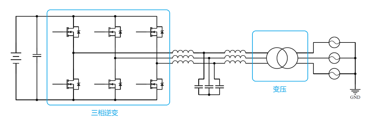
储能电站储能变流器(PCS)
- 应用优势
-
· 瞬时、高频、低损耗
· 具有高安全性的特性
· 低导通电阻降低损耗
· 正温度系数更容易均流


高性能电源
新能源汽车
光伏
充电桩
智慧电网
特种领域